新闻动态

  • 自锁、联锁、互锁知识分享

    自锁是指电路中的某个控制元件(如按钮或继电器)在动作后,能够保持其状态,即使触发信号消失,电路仍然保持当前状态。

    2025-06-03 mk体育在线注册,mk体育(中国)

  • 五阀组的使用知识分享

    五阀组(通常指由五个阀门组成的阀门组,常见于压力测量、差压变送器等仪表管路中)的正确使用对工业流程的安全和测量精度至关重要。

    2025-05-30 mk体育在线注册,mk体育(中国)

  • 电接点水位计的一个注意事项

    电接点水位计是一种利用水和蒸汽导电率差异来测量水位的仪表设备,它利用连通器的原理将汽包水位反映到测量筒内,测量筒的电极在水中对筒体的阻抗小,在蒸汽中对筒体的阻抗大,随着水位的变化,电极在水中的数量产生变化,转换成电阻值的变化,传送到二次仪表,从而实现水位的显示、报警、保护联锁等功能。

    2025-05-30 mk体育在线注册,mk体育(中国)

  • 关于配电柜(箱)门跨接的规范

    配电柜(箱)与柜门跨接主要目的是为了保证接地连接连续性,使其符合相关安全规定和电气质量标准。在日常巡检中发现,部分配电柜(箱)与柜门未进行跨接或跨接线断裂、松动的情况较为普遍。

    2025-05-30 mk体育在线注册,mk体育(中国)

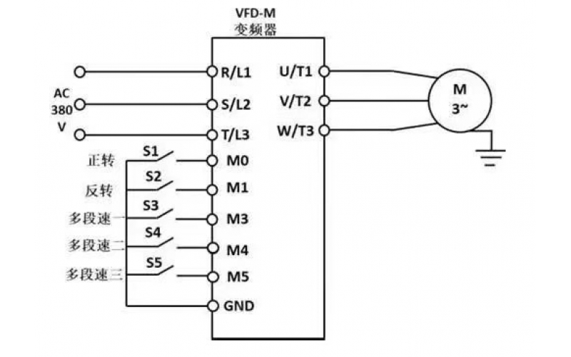
  • 变频器的矢量控制和V/F控制你了解​吗?

    变频器的矢量控制和V/F控制是两种常见的电机控制方式,它们在原理、性能、应用场景等方面存在显著差异。以下将从多个角度详细分析这两种控制方式,并结合我搜索到的资料进行说明。

    2025-05-28 mk体育在线注册,mk体育(中国)

  • 阀门定位器阻抗高,阀门开度最大开60%原因分析

    该阀门定位器阻抗为 650Ω,而控制信号隔离器带载能力为 580Ω绝大多智能仪表的阻抗一般不会超过 550Ω。因此可以确定为信号隔离器的带载能力与定位器不匹配,在阀门开至 60%以后控制信号无法驱动定位器动作。

    2025-05-28 mk体育在线注册,mk体育(中国)

  • 温度变送器出现无输现象的原因分析

    热电偶温度变送器一般由基准源、冷端补偿、放大单元、线性化处理、V/I转换、断偶处理、反接保护、限流保护等电路单元组成。它是将热电偶产生的热电势经冷端补偿放大后,再帽由线性电路消除热电势与温度的非线性误差,最后放大转换为4~20毫安电流输出信号。

    2025-05-26 mk体育在线注册,mk体育(中国)

  • PID与PFD区别

    PFD可以让工作人员对整个过程有一个整体的了解。这些流程图可能并不总是显示整个工厂的工作情况。典型的PFD将包含温度、压力和质量流量等运行数据。泄压阀和安全阀通常不包括在PFD中,但是控制阀等关键部件在 PFD职中,这些图表在尺寸上可能与实际工厂不同步。

    2025-05-26 mk体育在线注册,mk体育(中国)

首页
产品
新闻
联系