管式空预器防腐“这办法太牛了
2023-09-27 mk体育在线注册,mk体育(中国)
锅炉汽包电接点水位计知识介绍
2023-09-26 mk体育在线注册,mk体育(中国)
二次交流回路知识及相关注意事项
旁路作业分流异常分析
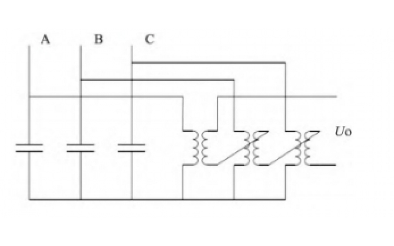
电容器组不平衡保护四种接线方式
2023-09-25 mk体育在线注册,mk体育(中国)
并联电容器组保护概述
PSA程控阀电磁阀故障原因分析
智能型压力变送器指示为0
2023-09-22 mk体育在线注册,mk体育(中国)